电机学笔记(总)
- 整理了PDF版本,内容跟下面差别不大,好处是可以打印而且不会出现渲染问题
- 为了防止电机学课程总结作业的查重(那啥x),老版本带了一点点水印,应该不影响阅读
- 电机学笔记(Watermark)
- 电机学笔记
- 字太多了,难免有打错的,大家见谅(找到问题跟我说一句谢谢)
导论与数理基础
| 势能 | 场强 | 流 | 介质 | 阻 | 欧姆定律 | |
|---|---|---|---|---|---|---|
| 电 | 电动势$U=\oint E\text dl$ | 电场强度E | 电流I | $\varepsilon$ | $R=\frac{\rho l}A$ | $i=\frac u R$ |
| 磁 | 磁动势$F=\oint H\text dl$ | 磁场强度H | 磁通$\phi$ | $\frac1{\mu}$ | $R_m=\frac l{\mu A}$ | $\phi=\frac F{R_m}$ |
全电流定律
基尔霍夫定律
电磁感应定律
直流电机
基本结构
注:电枢和励磁究竟谁是定子谁是转子,依据不同的情况来看。直流电机中以上述为主,同步电机中则相反(即电枢变成了定子)。
- 额定功率$P_N$
- 发电机输出电功率:$P=EI=2Blv\cdot I=2BIlv$
- 电动机输出机械功率:$P=T\cdot\Omega=2F\cdot\frac D2\cdot\frac{2\pi n}{60}=2BIlv$
电枢绕组
每一匝绕组元件$i$始于一个换向片$i$,然后其上元件边通过槽$i$,下元件边通过槽$j$,最终另一个端口终于另一个换向片$k$。一个换向片连着两个绕组元件,一个始,一个终。可以看到,一个绕组元件我们用了三个量来表示,因此一个绕组元件的三个特征值就是$i,j,k$。
对于叠绕组,一定有$k=i+1$,波绕组则是$k>j>i$。在绕组连接表中,一根实线+一根虚线代表了一个绕组元件,其三个端点正好对应着上文的三个值:起始片\&上元件边$i$,下元件边$j$,终止片$k$。
- Def:主磁极极对数:P(P对,2P个)
- 在这里,“槽数”变相的成为了一种单位。
| 参数 | 叠绕组 | 波绕组 |
|---|---|---|
| 极距$\tau$:一个主磁极跨度所占据的槽数 | $\tau=\frac{Z_u}{2P} =\frac K{2P}$ | $\tau=\frac{Z_u}{2P} =\frac K{2P}$ |
| 换向器节距$y_k$=合成节距$y=y_1+y_2$ | $y=\pm1$ | $y=\frac{K-1}P$ |
| 第一节距$y_1$:同一线圈上下元件边跨过槽数 | $y_1=\lfloor\tau\rfloor$ | $y_1=\lfloor\tau\rfloor$ |
| 第二节距$y_2$:上一线圈下层边 - 下一线圈上层边 | $y_2=y-y_1$ | $y_2=y-y_1$ |
| 电刷数(相当于截断) | 2P | 理论2,实际2P |
| 并联支路数 | 2P个,P对 每一级构成一条支路 |
2个 同一极性(N/S)一条支路 |
- 两者唯一有区别的就是合成节距的算法,其他的都一样。
直流电机磁场
直流电机一共有两个磁场,一个是定子通电提供的定子励磁磁场,一个是转子的电枢磁场。励磁磁场相对简单,会在空间中产生励磁磁动势$F_f$(起主要作用);电枢磁场会在空间中产生电枢磁场磁动势$F_a$,对励磁磁场产生影响;两者叠加产生气隙磁场(带载磁场)。
励磁磁场$F_f$
分类:
- 他励:励磁绕组和电枢绕组用不同的独立电源供电
- 并励:励磁绕组和电枢绕组并联供电
- 串励:励磁绕组和电枢绕组串联供电
- 复励:有两个励磁绕组,并+串;积复励/差复励
磁场特点:
在空载时,电枢电流$I_a=0$,不产生磁场。因此空载时直流电机的磁场分布,就是励磁磁场。
励磁磁场由主磁极的主磁通产生,因为存在严重的饱和,因此在主磁极覆盖范围内均水平,在气隙处迅速下降。
总磁动势计算:$F_0=\oint H\text dl=2I_fN_f$,若忽略漏磁通,则$F_0=2F_f\,\,;\,\,F_f=I_fN_f$。
电枢磁场$F_a$
电枢是转子,电枢磁场由电枢绕组上的导体通入的电流产生,而导体均匀分布导致电流近似均匀分布,因此电枢磁场磁动势大小随着坐标$x$线性增大。直到通过换向片处电流反向,此时磁动势大小线性减小。
(a) 电刷放置在几何中心线上:
磁动势计算:$F_a={\sum i}=\frac{x}{\pi D_a}Ni_a=\frac{Ni_a}{\pi D_a}x$,并定义电枢表面线负荷$A\triangleq \frac{Ni_a}{\pi D_a}$
气隙电枢磁密:$B_{ax}=\mu_0\frac{F}{\delta’}$,先线性增大,超出主磁极范围接近换向片后,由于气隙的急剧增大而急剧减小。
(b) 电刷不在几何中心线上:
- 在实际中,由于误差导致电刷偏离了中心线一个小角度$\beta$,即长度$b_{\beta}=\frac D2\beta$。
- 将磁场分解(实际上是将环绕了电枢一圈的电枢电流分解)为交轴磁场和直轴磁场。
- 交轴磁动势:与原电枢磁动势很像,以原电刷位置对称(几何中心线),但是三角波的尖头被削平。
- 直轴磁动势:与原励磁磁动势很像,以主磁极位置对称,方向相同或者相反。
电枢反应
电枢反应实际上就是指两个磁场叠加,合起来对电机的工作产生影响。不难看出,两个磁场都是静止的:励磁磁场静止是因为定子本来就静止,可以直接看做是不动的永磁体;电枢磁场静止是因为,即使电枢导体的电流在随着转子转动经过换向器不断改变方向,但是宏观上磁场一直以换向器为中心对称。
由于励磁磁场沿主磁极轴对称,而电枢磁场沿换向片对称,主磁极与电刷正好相差90°电角度(电刷塞在两磁极中的空隙里),因此一般呈现交轴电枢反应(建议与同步电机一起看):
- 两者相位差90°,电枢磁场使励磁磁场产生畸变
- 交轴反应理论不改变总磁通大小,但是由于饱和,增磁处难以增磁,因此磁通一般而言还是会减小
- 直轴电枢反应由电刷偏离几何中心线引起,表现为增磁或去磁
- 电枢反应的影响一般在题目中会用额外励磁电流 $I_{faq}$ 等效,表示为了“抗衡”电枢反应,需要额外提供的励磁
感应电动势&电磁转矩
直流电机模型与特性曲线
| 发电机 | 电动机 | |
|---|---|---|
| 模型 | ![]() |
![]() |
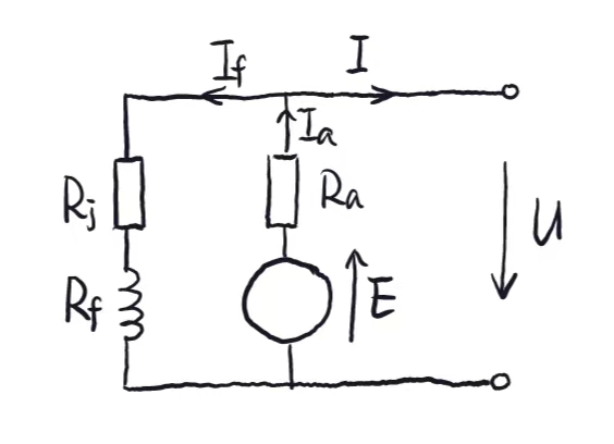
| 电压 | $E_a=U+I_aR_a+2\Delta U_b$ | $U=Ea+I_a(R_a+R{aj})$ |
| $U=I_f(R_f+R_j)$ | $U=I_f(R_f+R_j)$ | |
| 电流 | $I_a=I+I_f$ | $I=I_a+I_f$ |
| 转矩 | $T1=T{em}+T_0$ | $T_{em}=T_2+T_0$ |
| 功率 | ![]() |
![]() |
[注]:在并励发电机功率中也有$p_{cuf}$的铜耗,这里没标注
| 发电机 | 电动机 | |
|---|---|---|
| 负载特性 | ![]() |
![]() |
| 特点 | 对发电机而言,电枢反应的影响等效为额外的励磁电流$I_{faq}$,并且由于$IaR_a$电流—端电压”表或曲线时,需要使用$I{f0}=I{fN}-I{faq}$!复励中串联的磁动势需要折算:$\frac{I_sN_s}{N_f}$ | 其实没啥好说的,这图应该见过比较多次的。需要注意的就是 $\eta=(1-\frac {\sum p}{P_1})\times 100\%$,在可变损耗$I_a^2R_a$=不变损耗$p_0$时取到效率最大值 |
| 外特性 | ![]() |
![]() |
| 特点 | 对于并励发电机,除了上图的$U_0=f(I_f)$外还需要满足$U_0=I_f(R_f+R_j)$,两者的交点即为空载端电压。因此其自励是需要满足剩磁+励磁电阻大小合适两个条件(当然接法要正确) | 方程:$n=\frac{U-IaR_a}{C_e\phi}=\frac{U}{C_e\phi}-\frac{R_a}{C_eC_T\phi^2}T{em}$。这条最基础的方程就揭示了三个调速方法:调压(向下平移)、串阻(向下倾斜)、弱磁(向上平移+向下倾斜) |
电动机的调节
起动
起动的要求是具有足够小的电流$I{st}$与足够大的启动转矩$T{st}$。由电动机的机械特性(即上表中的外特性),可以得到:
| 降压起动 | 串电阻起动 | |
|---|---|---|
| 起动电流 | $I_{st}=\frac{U’}{R_a}$ | $I{st}=\frac{U_N}{R_a+R{aj}}$ |
| 起动转矩 | $T_{st}=\frac{U’C_T\phi}{R_a}$ | $T{st}=\frac{U_NC_T\phi}{R_a+R{aj}}$ |
调速
| 调压调速 | 串电阻调速 | 弱磁调速 | |
|---|---|---|---|
| 特点 | 只能降转速,特性曲线一样硬 | 只能降转速,特性曲线变软,耗能,轻载时不明显 | 只能增转速,用于恒转矩负载时$I_a=\frac{T}{C_T\phi}$变高,适用于恒功率负载 |
制动
| 分类 | 反接制动 | 能耗制动 | 回馈制动 | ||
|---|---|---|---|---|---|
| 电压反向(II) | 电动势反向(IV) | 电压反向(IV) | 电压不反向(II) | ||
| 实现 | 电枢电压UN反向并串限流电阻 | 串一个极大的电阻Raj | 断开电源并串限流电阻Raj | 电压反向的反接制动,n=0不停机,Tem=0时切除电阻使匀速下放 | 电车下坡时具有同向转矩,转速冲过y轴 |
| 特点 | 快速停机,需要在n=0时手动停机 | 特性曲线极软,适用于位能型负载 | 恒转矩负载:自动停机 位能型负载:反向起动 | 位能型负载的匀速下放 | 电车下坡 |
| 能流方向 | 电源给电机供能,同系统动能一起消耗在电阻上 | 电源断开无输入,动能消耗在电阻上 | 匀速下放阶段将势能转成电能回给电网 | 能量回馈制动状态 | |
变压器
等效电路与物理量
| T型等效 | $\tau$型等效 |
|---|---|
![]() |
![]() |
根据小学二年级学的基尔霍夫,我们可以很容易的写出电路关系:(物理量的等效关系不再赘述,反正就是$k$或者$k^2$倍)
- $E_1=\sqrt2\pi fN\phi_m$
- $\dot U1=(-\dot E_1)+\dot I_1(R_1+jX{1\sigma})\approx-\dot E_1$
- $\dot U2’=\dot E_2’-\dot I_2’(R_2’+jX{2\sigma}’)$
- $\dot I_m=\dot I_1-(-\dot I_2)$
- $\dot E_1=\dot E_2’=-\dot I_m(R_m+jX_m)$
- $\dot U_2’=\dot I_2’Z_L’$
| 励磁参数$(R_m+jX_m)$ | 绕组电阻、漏电抗$(R1+jX{1\sigma})$ |
|---|---|
| 励磁参数反映了主磁通对变压器的影响,其中励磁电阻反映铁耗$p_{Fe}$,励磁电抗反映电磁效应。因为其反映磁通关系,因此其值随着饱和程度的增加而减小。励磁阻抗远大于漏阻抗。 | 漏阻抗(绕组电阻和漏电抗)反映了漏磁通对变压器的影响,其影响主要体现在产生了一段压降$E{1\sigma}$,其中**绕组电阻$R_1/R_2$还反映了铜耗$p{cu1}/p_{cu2}$。其值基本恒定**不会变化。漏阻抗远小于励磁阻抗。 |
| 空载试验——$R_L\rightarrow\infty$,令非开路端$U=U_N$,记录非开路段空载电流$I_0$和损耗$p_0$,有:$R_m=\frac{p_0}{I_0^2};Z_m=\frac{U_N}{I_0}$ | 短路试验——$R_L\rightarrow0$,令非短路端$I=I_N$,记录非短路端短路电压$U_k$和损耗$p_k$,有:$R_k=\frac{p_k}{I_N^2};Z_k=\frac{U_k}{I_N}$ |
| 哪端不开路,参数归算到哪端 | 哪端不短路,参数归算到哪端 |
- 注:$R_k=R_1+R_2’=R_1+k^2R_2$,$Z$和$L$同理。
恒磁通、自跟随
这六个字的含义是从空载到负载时,电路中物理量的变化法则,在交流电机中也会用到。
恒磁通:可以认为$-\dot E_1\approx\dot U_1$,在输入电压不变的情况下,$\phi_m=\frac{E_1}{4.44fN}$应该保持不变,即主磁通恒定
自跟随:当主磁通不变时,合成磁动势$\dot F_m=\dot F_1+\dot F_2=\dot I_1N_1+\dot I_2N_2=\dot I_0N_1$也应该保持不变,那么在接入负载出现$I_2$时,$I_1$将会自动修正,即$\dot I_1=\dot I_0-\frac{N_2}{N_1}\dot I_2=\dot I_0-\frac{1}{k}\dot I_2$。其意义就是,变压器原副边通过磁动势平衡相关联,因此在副边电流变化的时候,原边会自动调节电流和输入功率以满足输出功率的要求。
工作特性
当变压器对外接通时,就像一个带小电阻的电压源,随着外电流的上升,输出电压缓慢下降,故$\Delta U=\frac{U{2N}-U_2}{U{2N}}\times100\%=1-U_2*$
变压器的效率随着外电流的增大先增加后减小,当不变损耗=可变损耗($p_0=I_2^{*2}p_k$)时取到最大值
三相变压器
空载电势波形判断方法和原则:
- 当主磁通为正弦变化时,由于饱和的原因,励磁电流必须为尖顶波,可分解为正弦波+各次谐波分量
- 如果电流的谐波分量可以在副边流通,那么副边仍然会产生正弦磁通,可以运行
- 若不行,那么副边电流正弦,磁通将会变成平顶波,可分解为正弦波+各次谐波分量
- 如果磁通的谐波分量可以被消除,那么磁通仍表现为正弦形式,可以运行;否则无法运行
- Y型接法无法流通电流谐波分量,△型接法无法流通磁势谐波分量(实际上是去磁)
- 组式变压器不会去磁,而芯式变压器会去磁
结论:
交流电机的一般理论
交流电机的物理量
| 电角度 | 槽距角 | 每极每相槽数 | 相带 | 极距 |
|---|---|---|---|---|
| $机械角度\times P$ | $\alpha=P\frac{360°}{Z_1}$ | $q=\frac{Z_1}{m\cdot2P}$ | $q\cdot \alpha$ | $\tau=\frac{\pi D}{2P}=\frac{Z_1}{2P}$ |
连接法的几点注意事项:
- 单层绕组(每个槽只放一层元件边)并联支路数最大为$\alpha{max}=P$,双层绕组$\alpha{max}=2P$。根据并联支路数选择串并联。
- 单层绕组中,槽数=导体数=线圈数 * 2;双层绕组中,槽数=导体数 / 2=线圈数
- 不管怎么连接,每一极最终都只会引出两条线:A/X,B/Y,C/Z
- 叠绕组:先计算出$y_1$,且叠绕组$y=1$。从每个线圈组的第一条导体(上层边)开始,先右移$y_1$(下层边),然后左移$y_1-1$(上层边),共$2P=\frac{Z_1}{mq}$个线圈组。这样每个线圈组都会引出两条线,然后根据首连首、尾连尾的法则和并联支路数的要求,进行串并联。叠绕组的优点是可以节约用铜,能得到较多的并联支路数,但是连接困难。
- 波绕组:先计算出$y_1$和$y_2$。波绕组把所有同级(N或S)下的导体全部串起来,根据并联支路数$a=1还是2$确定串并联。从每级的第一条导体(上层边)开始,先右移$y_1$(下层边),然后右移$y_2=y-y_1$(上层边),共2个线圈组(N一个,S一个)。当绕完一圈后,需要人为退一个槽。波绕组的短距不能节约用铜。
电动势与磁动势
| 磁动势 | 电动势 | ||
|---|---|---|---|
| 整距线圈 | $F=\frac{2\sqrt2}{\pi}I_cN_y$ | $E{c\nu}=\frac{\sqrt2}2\pi f\phi{\nu}$ | 单根导体 |
| 线圈组(整距) | $k_{q\nu}=\frac{\text{sin}q\frac{\nu\alpha_1}2}{q\text{din}\frac{\nu\alpha_1}2}$($\times q$) | $E{t\nu}=2E{c\nu}Nyk{y\nu}$ | 单个线圈 |
| 双层短距修正 | $k_{y\nu}=\text{sin}(\frac{\nu y_1}{\tau}90°)$ | $\times2$是线圈有2根导体 | |
| 一相绕组(脉振) | $F{\varphi \nu}=0.9\frac{IN}p k{w\nu}$ | $k_{q\nu}$($\times q$) | 线圈组 |
| 三相绕组(旋转) | $F{\nu}=\frac m2 F{\varphi \nu}$ | $ E{\phi\nu}=4.44fN\phi k{w\nu} $ | 一相绕组 |
- $I_c=\frac Ia$为线圈电流($I$是相电流),$N_y$是线圈匝数
- 记:每相串联匝数:$N=\frac{2PqN_y}a(双层)=\frac{PqN_y}2(单层)$
- 最后的公式(一相脉振磁动势、三相旋转磁动势和一相绕组相电动势)直接记,都是根据上面一步步演化来的,主要推导的难点就是每相串联匝数的公式和单层、双层修正中是否需要乘2。
谐波的计算
一般我们见到的就是同步谐波,这里讲一下同步谐波的特点和计算:
- 同步谐波跟着基波一起旋转,他是傅里叶变换里面出来的,因此在基波走完一个周期的时候同步谐波可以走$\nu$个周期。因此同步谐波的数据满足:
- 转速与基波转速相等:$n_{\nu}=n_1$
- 频率比基波频率要高:$f_{\nu}=\nu f_1$
- 极距比基波极距要小:$\tau_{\nu}=\frac{\tau}{\nu}$
- 级数比基波级数要大:$P_{\nu}=\nu P$
- 所以在计算同步谐波幅值的时候,需要对上面的公式做以下几点修正:
- 两个修正系数都要变,一个变成$\nu\alpha$,一个变成$\nu y_1$,可能出现负值
- 公式中的频率要进行修正成 $\nu f$
- 由于磁通 $\phi=B\tau l$,如果题中没有说明磁场的关系($\frac{B{\nu}}{B_1}$),就按照 $B{\nu}=\frac1{\nu}B1$ 的关系修正,否则按照题目的规定;同时修正极距 $\tau{\nu}=\frac1{\nu}\tau$
- 因此在默认情况下且不考虑修正系数 $k_{w\nu}$,谐波的幅值是基波幅值的$\frac1{\nu}$
磁动势谐波的计算
- 上述对磁动势不适用,磁动势谐波的特点为:
- 频率与基波频率相等:$f_{\nu}=f_1$(即角频率)
- 转速比基波转速要小:$n_{\nu}=\frac1{\nu}n_1$($n=\frac{60f}p$)
- 极距比基波极距要小:$\tau_{\nu}=\frac{\tau}{\nu}$
- 级数比基波级数要大:$P_{\nu}=\nu P$
- 所以在计算磁动势的谐波幅值的时候,需要对上面的公式做以下几点修正:
- 两个修正系数都要变,一个变成$\nu\alpha$,一个变成$\nu y_1$,可能出现负值
- 在默认情况下且不考虑修正系数 $k_{w\nu}$,谐波的幅值是基波幅值的$\frac1{\nu}$
- 写具体表达式的时候,由于电角度受极数的影响,故$\theta_{\nu}=\nu\theta$
削弱谐波的影响
短距绕组:令$k_{y\nu}=\text{sin}(\frac{\nu y_1}{\tau}90°)=0\Rightarrow y_1=\frac{2k\tau}{\nu}$,由于$\nu$一定是奇数,因此想要消除$\nu$次谐波,就令$2k=\nu-1$
注:可以同时消除次数相邻的两个谐波,如要消除$\nu=5/7$,则令$2k=6$
分布绕组:令$k_{q\nu}=\frac{\text{sin}q\frac{\nu\alpha_1}2}{q\text{din}\frac{\nu\alpha_1}2}$减小,即增大极对数$q$,一般取$q\in[2,6]$
异步电机
工作原理
异步电机的参数定义及公式如下:
| 参数 | 符号 | 定义 | 表达式 |
|---|---|---|---|
| 同步速 | $n_1$ | 旋转磁场(磁动势)的绝对转速 | $n_1=\frac{60f}p$ |
| 转差率 | $s$ | 转子转速与同步速之差的百分比 | $s=\frac{n_1-n}{n_1}$ |
| 转子频率 | $f_2$ | 转子绕组感应电动势的频率(切割) | $f_2=sf_1$ |
| 功率因数角 | $\varPsi_2$ | $\text{cos}\varPsi_2$为转子绕组的功率因数 | $\text{cos}\varPsi2=\frac{R_2’/s}{\sqrt{(R_2’/s)^2+X{2\sigma}’^2}}$ |
关于异步电机的工作原理有以下几个特点需要说明:
- 定子侧的三相电流产生了转速为同步速的旋转磁场(见上一节),由切割产生的电磁转矩带动转子,因此为了保持转差,一般电动机$n
1$时作电磁制动运行。 - 定子磁动势的转速是$n_1$,不论转子有无旋转,转子的磁动势一定与定子相对静止。
- 仍然满足恒磁通,自跟随的原理(具体见上),即在空载到负载(或堵转到旋转)的变化中,主磁通不变,原边电流随着副边电流的变化而自动调节。
转子在堵转与转动的情况下,异步电机各参数的变化:
| 堵转 | $n=0$ | $\Delta n=n_1$ | $f_2=f_1$ | $E2=4.44f_1N_2k{w2}\phi_m$ | $X{2\sigma}=2\pi f_1L{2\sigma}$ | $\varPsi2=\text{atan}\frac{X{2\sigma}}{r_2}$ |
|---|---|---|---|---|---|---|
| 旋转 | $n\rightarrow n_1$ | $\Delta n=sn_1$ | $f_2=sf_1$ | $E_{2s}=sE_2$ | $X{2\sigma s}=sX{2\sigma}$ | $\varPsi2=\text{atan}\frac{sX{2\sigma }}{r_2}$ |
等效电路图
跟变压器类似,原边和副边两侧的物理量的特性都不尽相同,因此计算麻烦,故用频率折算+绕组折算来简化电路图。
- 频率折算:将转子频率$f_2$折算成定子频率$f_1$
- 阻抗全部变为$\frac1s$倍,即$r2\rightarrow r_2+\frac{1-s}sr_2~;~X{2\sigma s}\rightarrow X{2\sigma}=2\pi f_1L{2\sigma}$
- 绕组折算:类似于变压器的折算,电流电压倒数变化,阻抗为平方关系
- 记电流和电压的变比分别为:$ki=\frac{m_1N_1k{w1}}{m2N_2k{w2}}~;~ke=\frac{N_1k{w1}}{N2k{w2}}$
- 注意两者是不一样的,因为电流是从磁动势($0.9\frac m2\frac{INk_w}{p}$)推出,电压是从电动势($4.44fNk_w\phi_m$)推出。但是对于大部分电机,原副边的相数是一样的(三相电机),因此有$k_i=k_e$
- $I_2’=\frac1{k_i}I_2~;~E_2’=k_eE_2~;~Z_2’=k_ik_eZ_2$
得到的等效电路图如下:
| $T$型等效电路 | $\tau$型等效电路 |
|---|---|
![]() |
![]() |
根据小学二年级学的基尔霍夫,我们可以很容易的写出电路关系:(可以看到跟变压器的电路是非常像的)
- $\dot U1=-\dot E_1+\dot I_1(R_1+jX{1\sigma})$
- $\dot E1=\dot E_2’=\dot I_2’(R_2’+jX{2\sigma}’+\frac{1-s}sR_2’)$
- $\dot E_1=\dot E_2’=\dot I_m(R_m+jX_m)$
- $\dot I_m=\dot I_1+(-\dot I_2’)$
运行特性
功率与转矩平衡
关于电机的功率关系式,只需要记住下面这一张图即可:
下面给出各个功率的物理表达式:
| $P1=m_1U{1\varphi}I_{1\varphi}\text{cos}\varphi_1$ | $p{cu1}=m_1I{1\varphi}^2R_1$ | $p{Fe}=m_1I{m}^2R_m$ | $p_{cu2}=m_1I_2’^2R_2’$ | $p_{mec}=m_1I_2’^2\frac{1-s}sR_2’$ |
|---|---|---|---|---|
电磁转矩是最重要的转矩,下面给出它的4种表达式:
- $T{em}=\frac{P{mec}}{\Omega}=\frac{P{mec}}{(1-s)\Omega_1}=\frac{P{em}}{\Omega_1}$
- $T{em}=\frac{m_1E_2’I_2’\text{cos}\varPsi_2}{\Omega_1} =\frac{m_1\sqrt2\pi f_1N_1k{w1}\phi_1I_2’\text{cos}\varPsi_2}{2\pi f_1/p}=C_M\phi_1I_2’\text{cos}\varPsi_2$
- 其中$CM=(pm_1N_1k{w1})/\sqrt2$为常数
- 这个公式跟直流电机的电磁转矩公式很像,只是多了一个功率因数角(直流电机恒为1)
- $T{em}=\frac{m_1pU_1^2\frac{R_2’}s}{2\pi f_1[(R_1+\frac{R_2’}s)^2+(X{1\sigma}+X_{2\sigma})^2]}$
- $T_{em}=\frac2{\frac s{s_m}+\frac{s_m}s}T_m\approx \frac{2T_m}{s_m}s$,工程上的近似算法,一般会给出$K_M$和$s_N$两者
于是我们就可以画出他的机械特性如下:
- A点(同步运行点/空载点)
- $s=0,n=n_1$
- B点(最大转矩点)
- $sm\approx \frac{R_2’}{X{1\sigma}+X_{2\sigma}’}$
- $Tm=\frac{m_1pU_1^2}{4\pi f(R_1+X{1\sigma}+X_{2\sigma}’)}$
- C点(起动点)
- $s=1,n=0$
- $T{st}=\frac{m_1pU_1^2R_2’}{2\pi f_1[(R_1+R_2’)^2+(X{1\sigma}+X_{2\sigma}’)^2]}$
- 记:
- $k{st}=\frac{T{st}}{T_N}$
- $k_M=\frac{T_m}{T_N}$
工作特性
他的工作特性跟变压器还是比较像的,所以就直接贴图吧
- 计算效率时,可变损耗为$p{cu1,cu2}$,不变损耗为$p{Fe,ad,mec}$,同样可变损耗=不变损耗时,取到效率的最大值
- 转速随着输出功率的上升略有下降,转差率跟转速互补
- 电磁转矩$T_{em}=T_0+\frac P{\Omega}$,近似有截距的一次函数,但是由于转速的下降,转矩曲线略微上翘
起动
一般要求电机起动的时候具有较大的转矩$T{st}$和较小的起动电流$I{st}$
鼠笼式异步电机起动:
| 定子串电抗 | 自耦变压器 | $Y-\Delta$起动 | |
|---|---|---|---|
| 原理 | 定子上串联电抗$X$分压 | 通过变压器降低定子端电压 | 先用$Y$起动,之后改为$\Delta$运行 |
| 电压 | $\frac1k$ | $\frac1k$ | $\frac1{\sqrt3}$ |
| 电流 | $\frac1k$ | $\frac1{k^2}$ | $\frac13$ |
| 转矩 | $\frac1{k^2}$ | $\frac1{k^2}$ | $\frac13$ |
- 均能够降低起动电流,但是都会以损失启动转矩作为代价,后两者的效果更好。
- $Y-\Delta$起动相当于变压器变比为$\sqrt3$的自耦变压器起动。
- 起动电流$I_{st}$指的是电网提供的三相线电流
绕线式异步电机起动:
不论是转子串电阻起动还是频敏电阻器起动,都是类似的,与直流电机电枢回路串电阻起动相似:分级起动,逐渐切除/减小电阻,固有特性逐渐变硬,电流不会超过限制。
调速
原理:由$n=(1-s)\frac{60f}p$,改变$s,f,p$均可完成电机的调速。
对于$P{em}=P{mec}+p{cu2}=(1-s)P{em}+sP{em}$,调速的本质就是调节机械功率,因此可以通过对电磁功率$P{em}$的调节(变频调速),或对转差功率$sP_{em}$的调节(调压、串电阻调速)完成。
| 变频调速—基频下调 | 变频调速—基频上调 | 调压调速 | 转子串电阻调速 | |
|---|---|---|---|---|
| 要求 | $\frac{U_1}f=\text{const}$ | $U_1=\text{const}$ | ||
| 参数 | $T_{m}\approx \text{const}~,~s_m↑$ | $P_2\approx\text{const}~,~T_m↓~,~s_m↑$ | $s_m=\text{const}~,~T_m↓$ | $s_m↑~,~T_m=\text{const}$ |
| 曲线 | 整体向下平移 | 往左上方缩以保持$P_2$不变 | 整体往左边压缩 | 特性变软,曲率往下掉 |
| 特点 | 适用于恒转矩负载 | 适用于恒功率负载 | 对恒$T,P$负载调速范围小$(0,s_m)$ 适用于通风机负载$(T_Z=kn^2)$ |
一般用于恒转矩负载 |
| 求解 | $f=\frac{np}{60}$ 平移→$\Delta n$不变 |
$T_m$与$U^2$成正比,故 $U’=\sqrt{\frac{T_m’}{T_m}}U_N$ |
$\frac{r2}s=\frac{r_2+R{\Omega}}{s’}$ 因$s$与$s_m$成正比,可换成$s_m$和$s_m’$ |
在解题的时候,多使用经验公式(适用于同一条曲线上的两点):
制动
| 分类 | 回馈制动(s<0) | 能耗制动 | 反接制动(s>1) | ||
|---|---|---|---|---|---|
| 反转向(IV) | 发电机制动(II) | 正接反转(IV) | 正转反接(II) | ||
| 实现 | 定子电源反相序,并反向起动 | 电车下坡冲过n1,或变频/变极降低n1 | 定子脱网通直流励磁,使产生静止磁场 | 转子回路串大电阻 | 定子电源反相序(需限流电阻) |
| 特点 | n>n1(同向),适用于位能型负载高速下放 | n>n1(同向),常见于电车下坡或变频变极调速 | 快速停机或位能负载低速下放 | Tm大小不变,机械特性极度变软。适用于位能型负载 | Tm大小不变,机械特性与原点对称后变软 |
| 能量关系 | 电磁功率反向,向电网发出有功,吸收无功来建立磁场 | 转子动能转化成电能全部消耗于转子电阻中 | 转子处于能量双馈状态 | ||
| 例题 | 无 | 无 | 无 | 定负载下,下放转速与串接电阻的关系 | 初始时刻制动转矩与串接电阻的关系 |
| 计算方法 | 无 | 无 | 无 | 先算S和Sm,带入串电阻调速的公式 | 先算S'(≈2),带T和S的经验公式,有2解 |
同步电机
结构与运行原理
同步电机结构
同步电机与直流电机正好相反,定子是电枢,转子是励磁,具有较高且可调的功率因数,也可以发出无功。定转子二者产生的磁场相对静止(均以同步速$n=\frac{60f}p$旋转),并且保证气隙合成磁场恒定(这也是机电能量转换的必要条件)。两磁场之间的相位差决定了电磁转矩$T_{em}$的方向,由此决定的电机的运行状态:
同步电机主要用作发电机(与异步电机主要用作电动机相反),其分类如下:
电枢反应
在空载运行时,同步电机的电动势就是$E_0=-\omega \frac{\text d\phi}{\text dt}=\sqrt2\pi fNk\phi_0$,是一个大小仅与励磁电流$I_f$挂钩、相位滞后$\phi_0$90°的量,其特性曲线也就是磁化曲线。与直流电机类似,电枢反应的意思就是接入负载后,电枢产生的磁场影响空载磁场,将气隙合成磁场改变。
电枢反应仍然可以被分解为交轴和直轴。交轴分量产生电磁转矩,直轴分量引起去磁或增磁(一般而言是前者)。下方图片中几个物理量的关系是:$F_{f1}$与$\phi_0$基本近似为同向,$E_0$落后90°,定子电流$I$落后$E_0$内功率因数角$\psi$,定子磁场$F_a$与$I$同向。
为了下面两小节理解方便,这里定义四个角度:
隐极与凸极的负载运行
根据做题感受,同步电机的等效电路图是“最不重要”的,更重要的是矢量图。因为涉及到大量的角度,需要画矢量图,用几何的方法图解电动势的关系。
| 隐极 | 凸极 | |
|---|---|---|
| 矢量图 | ![]() |
![]() |
| 等效电路 | ![]() |
![]() |
| 特点 | 用两个电抗来等效电枢反映压降$\dot Ea$和漏抗压降$\dot E{\sigma}$,同步电抗$Xt=X_a+X{\sigma}$同时反应了电枢反应和漏磁通的影响 | 将$\dot Fa$分解为$\dot F{ad}+\dot F{aq}$,分别用$X{ad}>X{aq}$和$\dot I_d,\dot I_q$反映。并把漏抗$X{\sigma}$分到交直轴同步电抗中去 |
| 饱和影响 | 此时不能把$Ea/E_0$从$E{\delta}$中区分出来 故$\dot E{\delta}=\dot U+\dot I(R_a+jX{\sigma})$ |
交轴气隙较大,认为不受饱和影响 改变$\dot Ed$,有$\dot E_d+\dot E{aq}=\dot E_{\delta}$ |
| 注 | 计算中$F_a$是正弦波 空载特性中$F_a$是方波 |
$\dot E_Q$与$\dot E_0$同向,先算$\dot E_Q$ $E_Q=E_0-I_d(X_d-X_q)$ |
工作特性
短路特性
在短路时,电压比较小因此磁化曲线一定不饱和,故满足$E_0\propto I_f$且$I_k=\frac{E_0}{X_t}$,故$I_k\propto I_f$,因此短路特性呈一条直线。同时观察短路特性和空载特性,可以得到短路比定义和公式如下:
零功率因数负载特性
类似于直流发电机的负载特性,为了克服直轴去磁磁动势和漏抗压降,往右下方偏移了一部分。
外特性与调整特性
一般而言电机是感性的,因此即使外电路接纯电阻负载,随着电流的增大,端电压也会减小。接感性负载时端电压下降更加厉害,接容性负载可以抑制端电压的下降,甚至使之上升。
同步电机的并网运行
同步电机并网之后,电机的输出端电压将会与电网电压完全一致,也就是发电机电压的相序、波形、频率、大小和相位与电网必须保持一致。
并网连接——三相灯指示
| 暗灯法(直连) | 旋灯法 | 调节方法 | |
|---|---|---|---|
| 等频率 | 三盏灯明度不再变化 | 灯光不再旋转闪烁(或旋转很慢) | 调节发电机转速n |
| 等电压(大小+相位) | 三盏灯同时熄灭 | 灯光1熄灭,2/3亮度相同 | 调节发电机电压大小 发电机瞬时速度(相位) |
- 自同步法:励磁绕组不通电接限流电阻,,用原动机拖动直至接近同步转速,先并网然后迅速接通励磁(不要限流电阻)
平衡方程与功角特性
- 电磁功率的表达式如下:
有功调节与静态稳定
从上文的表达式可以看出来,在并网之后有功功率仅与空载电动势$E_0$和功率角$\theta$有关。这就是所谓的“功角特性”——有功功率的大小与功率角紧密关联,而功率角反映的就是交轴电枢反应的影响,是转子主极轴线与气隙合成磁场轴线之间的相差。
自跟随:为了增加有功,需调大输入功率(力矩),转子瞬间加速使励磁电动势$\dot E0$超前电网电压$\dot U$,增大功率角$\theta$,因此$I_q$增加、电磁制动转矩$T{em}$增加,重新稳定。
静态稳定:由于$P_{em}\propto \text{sin}\theta$,随着功率角的增大输出功率先增加后减小。只有在$\theta\in[0,90°]$的范围内才能稳定。
Def:
- 比整步功率$P{syn}=\frac{\text dP{em}}{\text d\theta}=\frac{mE_0U}{X_d}\text{cos}\theta$
- 过载能力$Km=\frac{P{max}}{P_N}=\frac1{\text{sin}\theta_N}$
无功调节与V型曲线
在调节无功功率时,需要保持有功功率不变,即$E0\text{sin}\theta=\text{const}$,$I_q=I\text{cos}\varphi=\text{const}$。认为$\text{cos}\varphi=1$,即$I=I{min}$时的状态叫做“正常励磁”,此时不输出无功。
- 恒磁通:
- 并网时$U=\text{const}$,因此$E_{\delta}\approx U=\text{const}$,因此气隙合成磁通不会变化
- 自跟随:
- 当励磁增加,励磁磁动势增加时,电枢反应输出滞后的电流(感性无功),使之去磁
- 当励磁减小,励磁磁动势降低时,电枢反应输出超前的电流(容性无功),使之增磁
- 欠励的励磁电流不能过小,否则功角将超过90°进入不稳定区,电枢电流的增磁效应不足以补偿主磁通,产生不了足够的电磁转矩拖住转子,电机失步。








































