电力电子技术
- 下文中公式出现
$$,\等形式就是没渲染好,最好开翻墙…因为确实有点卡 - 整理了PDF版本,内容跟下面差别不大,好处是可以打印而且不会出现渲染问题
- 由于考试周有另外的事情,时间不够了,中间有内容没整理完的,好像是逆变最后还有哪里来着。
功率半导体器件
分类与基本型
| 管子 | 分类 | 特点 | 参数 |
|---|---|---|---|
| 大功率二极管D | 不可控 电压驱动 |
开通呈电感效应 关断:反向电流与电压 |
额定电流(正向平均): 额定电压(反向重复): 正向平均电压: |
| 晶闸管SCR | 半控型 电流驱动 |
三端四层 阳极a门极g共同控制 1. 关断: 2. 正向阻断:一段时间反压 |
断态重复峰值电压: 反向重复峰值电压 : 额定电压: 额定(通态平均)电流: 维持电流: 擎住电流: |
| 大功率晶体管GTR | 全控型 电流驱动 |
相当于一个大三极管 一般工作在(准)饱和区和截止区 |
集电极额定电压: 饱和压降: |
| 功率场效应晶体管P-MOSFET | 单极型 全控型 电压驱动 |
当时导通 对同一个,基本相同 |
通态电阻: |
| 绝缘栅双极型 晶体管IGBT |
全控型 电压驱动 |
等效于三极管的 但一般在15V附近 |
各管特性
晶闸管SCR
- 晶闸管是一个三端四层的半导体器件,同时承受正向阳极电压 和正向门极电压 才能导通。称维持晶闸管从阻断转为导通并撤除 时的最小电流为擎住电流 。
- 要使晶闸管关断,需使其阳极电流 降低到维持电流 (几十毫安)以下。但是要使其真正关断(恢复正向阻断能力),必须加一定时间反压(因此导致晶闸管不能应对高频)。
- 用 表示晶闸管流过的电流有效值,其额定电流 是有效值转为平均值后的1.5~2倍,故 。
大功率晶体管GTR
- 相当于高中学的三极管,一般工作在(准)饱和区和截止区。在关断时,会由于“除去基区超量储存电荷”和 引起一点时间的反向电流。
- 二次击穿现象:考虑 曲线,正常情况下随着 增大, 基本不变,但是当 过大时,会使 开始增大(一次击穿,可逆)然后瞬间击穿三极管使电压大幅减小(二次击穿,不可逆),电流很大。
场效应晶体管P_MOSFET
- 场效应晶体管是多数载流子器件,不存在少数载流子特有的存储效应,因此开关时间短,可高频运行。其 曲线与GTR的 曲线十分接近。
- P-MOSFET时电压控制器件(比电流型简单多了),但是通态压降大,不适用于大功率
绝缘栅双极型晶体管IGBT
- 擎住效应:当通态集电极电流大于某临界值(静态擎住),或关断过程中电压变化速率过快(动态擎住)会导致寄生晶闸管导通,栅极对器件失控。
驱动与保护
晶闸管
晶闸管触发电路的作用是将控制信号 转变为控制角 信号,向晶闸管提供门极电流,以决定各个晶闸管的导通时刻。
锯齿波同步移相触发器
- **同步检测:**当左下角正弦同步电压 由正变负时,开关管 截止,开始形成锯齿波,此即为“同步”。锯齿波的宽度=电容 的充电时间=开关管 的截止时间。当开关管 左侧的 Q 点被充电到 1.4V 时钳位,开关管导通,因此可以通过调节 Q点的充电时间常数 RC 来调整开关管 的截止时间。
- **锯齿波形成:**红色虚线框中近似为恒流源,通过 充电,开关管 放电。充电为恒流源,放电时间极快,因此近似为不连续(具有零电压)的锯齿波。
- **移相控制:**通过下方的两个电压 来对锯齿波()进行一个向下的平移()。平移后锯齿波与零的交点不再是原点,这个偏移的角度基本等于移相角(实际上是与 0.7V 的交点,考虑到晶体管 的发射极压降)
- **脉冲的形成与放大:**当 开通(锯齿波电压>0.7V)时,A 点低电平, 关断,后续一系列管子全部导通,使 瞬间低电平。后续 迅速充电使 导通,后续一系列管子全部关断, 重新变高。
- **强触发脉冲:**变压器将 瞬间变化的这一段截出来,得到一个窄脉冲(大概是这样,这块讲的不是很清楚)
同步的实现(附例题)
同步:晶闸管阳极电压和同步电压协调、相互配合工作,我们需要确定同步信号 与对应晶闸管阳极电压 之间的相位关系。下面直接给出结论,表格内是同步电压 相对于主电压的相位关系。
| 正弦波移相 | 锯齿波移相 | |
|---|---|---|
| NPN晶体管 | 滞后120° | 反相 |
| PNP晶体管 | 超前60° | 同相 |
例1. 书 P49 例 2-2
-
Q. 整流变压器(主变压器)为 Y/Y-12 连接组,同步变压器为 /Y-5 连接组,触发器采用NPN晶体管组成的正弦波同步触发电路,阻容滤波滞后30°(即 滞后 30°),求主电路阳极电压与触发器同步电压的对应关系。
-
**分析:**可以理解为某个电力电子电路有两个输入端,一个接主电路(abc),一个接同步触发电路(TaTbTc),而这两个电路都是从同一个交流电压源 上接过来的。一般来讲当然是 a 对应 Ta(Ta)或这样,但是为了满足上表的关系,我们不一定能这么接,比如我们需要 a 对应 Tb,这个就叫对应关系表。
- 查表。NPN晶体管组成的正弦波同步触发电路,需要同步电压滞后主电压120°,这里因为有阻容滞后电路,因此对应着表示 要滞后 120°, 要滞后 90°。
- 接着来看矢量图(不会画的话回去复习电机学第三章),主变压器 Y/Y-12 表示 与 是同相位的,设为 12 点方向。线电压要超前相电压30°(自己想象一下图),因此 在 1 点钟方向。
- 接下来看同步变压器的矢量图,由于是从同一个交流电压源 上接过来的,因此 就是 ,也在 12 点钟方向。同步变压器为 /Y-5 连接组,表示 在 5 点钟方向,因此 在 6 点钟方向。
- 上面分析了,按理说 要滞后 90°,也就是说 应该在 4 点钟方向才行,但是现在不在。考虑一下同步信号的其他相5,按照 AZBXCY 的顺序, 刚好超前 60°,也就是说 刚好就在 4 点钟方向。有了阳极电压 对应的同步电压相,就可以把这个表补充完整如下。
例2. 书 P71 习题11
- Q. (本题以 /Y-1 为例)整流变压器(主变压器)为 Y/Y-12 连接组,同步变压器为 /Y-1 连接组,触发器采用NPN晶体管组成的锯齿波同步触发电路,试选择 RC 滤波(滞后)环节,并求主电路阳极电压与触发器同步电压的对应关系。
- 查表。NPN晶体管组成的锯齿波同步触发电路,需要同步电压滞后主电压180°(反相),因此对应着表示 要滞后 180°。
- 类似的,主变压器 Y/Y-12 表示 与 是同相位的,设为 12 点方向,因此 在 1 点钟方向。同步变压器为 /Y-1 连接组,表示 在 1 点钟方向,因此 在 2 点钟方向。
- 按理说需要 在 的反相,即 7 点钟方向,但是现在在 2 点钟方向。但是这里我们可以发现,因为每相间相差60°,即 2 小时,因此同步变压器的复变对应的每一相都不可能在 7 点钟。所以,我们这个时候要引入 RC 滤波(滞后)电路。滞后 30° 就够了。
- 滞后 30° 得到 在 3 点钟方向,按照 AZBXCY 的顺序, 刚好滞后 120°,即 刚好在 7 点钟方向,这样就得到了对应关系表,把这个表补充完整如下。
晶闸管的保护
| 类型 | 保护方式 | 作用 |
|---|---|---|
| 串联 | 并联均压电阻或阻容 | 使同时关断,减小换流反向电流 |
| 并联 | 串联均流电感(同名端反向) | 感应出反向电势以减小环流 |
| 过压保护 | 1. 变压器星形中心点接地 2. 变压器副边阻容接地 3. 压敏电阻(稳压二极管)接地 4. 在直流侧设置相同的措施 |
1. 减小变压器分布电容的瞬时过电压 4. 防止感性负载磁场能量的突然释放 |
| 过流保护 | 1. 交流进线电抗采用大漏抗变压器 2. 电流检测装置,过流时发出信号 3. 直流快速开关(2ms) 4. 快速熔断器 |
1. 利用电抗限制短路电流 2. 需一定时间才能相应(0.2s) 4. 最后的防线,一般不希望熔断 |
| 电压上升率限制 | 1. 电源输入端串交流进线电抗 LT 2. 每个桥臂上串桥臂电感 Ls |
抑制换流 |
| 电流上升率限制 | 1. 利用整流变压器漏抗/交流进线电抗 2. 每个桥臂上串桥臂电感 Ls 3. 整流式阻容保护 |
3. 使电容放电电流不经过晶闸管 |
其他器件典型驱动电路
贝克箝位电路
- 当 GTR 导通后,基极驱动电路应该能提供足够大的基极电流使 GTR 处于(准)饱和状态,以降低导通损耗,保证器件安全。
- 当 GTR 导通后,又不希望 GTR 处于深度饱和状态,否则存储时间过长不利于关断和高频响应。
- 贝克箝位电路是一种抗饱和电路,可以使 GTR 工作在准饱和状态, 基本等于 1.4V。
GTR缓冲电路
- 通过错开高电压、大电流出现的时刻,使两者之积(瞬时功率)减小
- 用电容 C 来吸收电压,使关断时刻电压上升减慢
- 用电感 L 来吸收电流,使开通时刻电流上升减慢
AC-DC 变换:整流
- 这里不做非常细致的推导和详解,只做一些总结,可能不全
- 如果物理量有下标
d,表示平均值,比如 等 - 如果物理量没有下标
d,表示有效值,比如 等
单相与三相整流
负载电压和负载电流
-
当带电阻性负载时,负载电压最低下降到 0,这是临界连续点,所以电阻性负载可能出现断续。当带电感性负载时,负载电压可以继续下降到负值。而接上蓄流二极管的时候,又和电阻性负载类似的,电压不会过零!
-
负载电压后面的三角函数系数的决定因素是电压连续还是断续:
- 若电压连续,则
- 若电压断续,则 (也不一定是1,可能是其他值,一般是1)
断续里面这个 不一定是 ,主要看移相角的定义,比如在单相中是 ,三相中就是
-
负载电压前面的系数可以参考 3.5 节中的公式:,当然这里的三角系数要用上面写的那样做,不一定是
- 单相桥式():0.9
- 三相半波():1.17
- 三相桥式():2.34
- 唯一不太一样的就是单相半波,需要额外注意一下是单相桥式的一半
-
不论有没有电感,平均电流都是 ,阻性负载中电流与电压波形一致,阻感性负载中电流 (除单相半波整流不接蓄流二极管这一特殊情况外)
-
带 阻感-反电势 负载时,平均电流修正为
其他物理量
- 晶闸管平均电流 主要看晶闸管的导通时间(由于一般都只考虑阻感性负载(甚至带蓄流二极管)下的 ,即确保 ),一般都有 ,也就是说负载电流就是在不同时刻接入不同晶闸管上流过的电流而已。如:
- 单相半波:
- 单相桥式:(两个桥臂轮流,不管有没有电感都是这样)
- 三相半波/三相桥式:
- 晶闸管电流有效值 ,由于一般都只考虑阻感性负载(甚至带蓄流二极管)下的 ,即确保 ,那么这个时候有效值的系数就是均值的系数开根号:(如果是电阻性负载就不能这么写)
- 变压器输出电流有效值 :这个是线电压的有效值,也就是说我们一般考虑某一相(对三相整流而言),这个相对来讲比较复杂,好像也没有什么通用的公式
- 单相半波:变压器输出电流就是晶闸管电流
- 单相桥式:
- 三相半波:变压器输出电流就是晶闸管电流,即
- 三相桥式:由于三相桥式输出的是线电压,因此同一时间有两相导通,故
波形与总结
| 单相半波 | 单相桥式 | 三相半波 | 三相桥式 | |
|---|---|---|---|---|
| 电路 | ![]() |
![]() |
![]() |
![]() |
| 阻性 | ![]() |
![]() |
![]() |
![]() |
| 感性 | ![]() |
![]() |
![]() |
![]() |
| 蓄流 | ![]() |
|||
| 反电势 | ![]() |
换流重叠角
在换流时认为两管同时导通,考虑电感影响,输出电压下降为两相电压的平均值(因为在换流时一般情况下电压肯定是升高的,因此现在考虑换流重叠电压会降低)。下降的电压为:
换流重叠角的计算式:
在计算时,先不考虑换流重叠的影响,计算出原先的直流输出电压 ,然后考虑换流重叠电压降,计算电流:
有源逆变
按理说有源逆变不该在这里出现的,但是因为电路图和原理比较像,所以就一起讲掉了。有源逆变能产生的条件有二:
- 有一个能使电能倒流的直流电势。电势的极性与晶闸管单向导电性相同,且大小稍大于直流平均电压。
- 变流电路直流侧能产生负值的直流平均电压(即必须是感性负载)
考虑到第二个条件,一般晶闸管的控制角 ,因此有时也采用 来代替。需要注意的是,在逆变状态下,电路的 均需代以负值。故有:
逆变颠覆
在逆变状态下发生以下事故,可能导致逆变颠覆,即直流电势的短路之类。
- 晶闸管脉冲丢失或延时,使出现 的情况,交流电压和直流电势顺向串联
- 晶闸管故障,正向阻断期误导通,使出现 的情况,形成短路
- 交流电压缺相、电源消失等,只有反电势E,使之通过晶闸管短路
- 逆变角 太小,晶闸管承受反压时间不够无法关断。一般要求
电路谐波及功率因数
-
定义:
- 位移系数:
- 畸变系数:
- 功率因数:
-
单相桥式电路:
- 基波分量电流有效值:
- 功率因数:
-
三相桥式整流:
- 功率因数:
另外,输出侧的电压平均值为:
大功率整流与平衡电抗器
![]() |
![]() |
|---|
带平衡电抗器的双反星型整流电路相当于两个三相半波整流反极性连接,形成一个六脉波的六相半波整流,但是由于电感的作用,现在的输出电压是两个三相半波的均值。即相当于从相电压()变成()。因此有以下几个优点:
- 直流电压的脉动情况比三相半波要小
- 两组三相半波在任意时刻均有一相导通,因此没有直流磁化
- 与六相半波整流相比,变压器副边绕组利用率翻倍
- 每个整流元件的工作时间从 提高到了 ,提高了利用率
AC-AC 变换:变流
调压电路
调压电路的基本操作有三种,分别是通断、相位和斩波。这里都采用相位的控制方式。
调压电路比整流电路要复杂一些,因为输出端的电压电流会交变
| 单相+电阻 | 单相+阻感 | 三相+电阻 | |
|---|---|---|---|
| 电路 | ![]() |
![]() |
![]() |
| 波形 | ![]() |
![]() |
![]() |
| 功率因数 | |||
| 导通角 | 由一超越方程决定 | ||
| 输出电压 | 1. 三个管子导通时,输出相电压 2. 两个管子导通时,输出线电压的一半 |
||
| 备注 | 1. 时正常工作,断续,为缺块正弦波 2. 时变流无效,输入=输出 3. 时失控,在脉冲信号来时晶闸管仍承受反压,变成单管整流 |
1. 三相中至少两相导通才能构成回路 2. 为保证导通,应采用大于60°的宽脉冲 3. 导通顺序为1-6,各差60° |
注:笔者也看不懂三相调压
变频电路
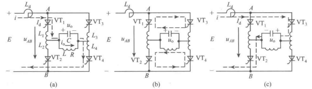
变频电路只能降频,是通过对高频输入电路的不断通断控制,形成一个平均等效的低频正弦波输出。要实现变频,必须不断改变晶闸管的触发角 ,一般采用余弦交点控制法。
加在负载上的电压一共有六种,其幅值相同,相位相差60°,,用 表示。每次比较前后两相电压与余弦参考电压 的差值,若 ,那么就切换到下一个管子使其导通。即管子切换的临界条件为:
上图中红色的是最终的输出波形。对于上述六脉波变频电路,一般要求输出电压不能高于电网电压的,即约 20Hz。
晶闸管换流时需要从电网中吸收感性无功,因此输入功率因数一定滞后。理想的输出电压是 ,实际的输出电压为 ,当两者相等时,有 ,因此定义输出电压比:
越小,输出电压越低,半周期内 的平均值越接近90°,功率因数越低。
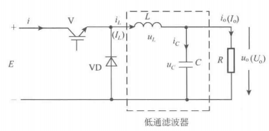
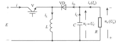
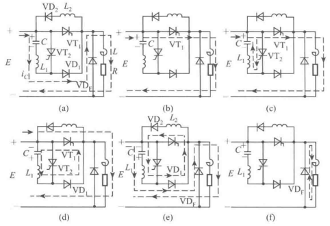
DC-DC 变换:斩波
DC-DC变换的机制就是靠着电容和电感的储能来实现电压的升降(电容实际上是为了稳定输出电压,核心的电压升降还是靠电感的储能),因此分析DC-DC最直接的两个原则就是:
- 电感伏秒平衡
- 电容安秒平衡
基本DC-DC变换器
| Buck | Boost | |
|---|---|---|
| 电路 | ![]() |
![]() |
| 波形 | ![]() |
![]() |
| 变比 | ||
| 断续临界值 | ||
| 断续变比 | ||
| 电流纹波 | ||
| 电压纹波 |
- 解释一下电压纹波的计算方法,计算电压纹波时认为输出电流平直,没有纹波,因此输出电压纹波 实际上就是电容上的电压纹波
- 对于Buck电路,电容与电感始终是连接在一起的,所以电容的电压纹波直接由电感电流纹波产生,与输出电流无关(说的是输出电流平直,不是电感电流平直)
- 对于Boost电路,电感与电容在 时断开,因此电容的电压纹波是由电容恒流放电产生,与电感纹波无关
- 两者计算方法不同,切勿搞混
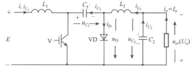
其他DC-DC变换器
Buck-Boost与Cuk
| Buck-Boost | Cuk | |
|---|---|---|
| 说明 | 1. 输入输出电压反极性 2. 输入输出位置不变,但是可升压可降压 |
1. 输入输出电压反极性 2. 输入输出位置不变,但是可升压可降压 |
| 电路 | ![]() |
![]() |
| 变比 | ||
| 电流纹波 | ||
| 电压纹波 |
晶闸管斩波
![]() |
![]() |
|---|
- VT1导通,电源电压E直接加到负载
- VT2导通,C、L1、VT2 谐振使电容C电压反向充电到 -E,电源电压E直接加到负载
- VT1受反压关断,谐振回路电流为0(LC谐振电压最大时电流为0),谐振结束,VT2也关断
- C、L1、VD1、L2、VD2 构成谐振回路,电容重新充电到 E,负载电压=电源电压E - 电容电压
- VDF蓄流,等待步骤1的响应
斩波变阻
双向DC-DC
双向DC-DC与Boost-Buck电路的区别在于:
- 双向DC-DC是恒定一边电压高,一边电压低,但是输入和输出可以不断交换(比如电池-电网回路就是双向DC-DC,电网电压要高于蓄电池,但是电能流向会根据需求改变)
- Buck-Boost电路是输入和输出端固定不变,但是输入到输出可以降压也可以升压
其中 V1、VD2 构成Buck降压电路,V2、VD1 构成Boost升压电路。电路图中电机电压比电网电压要小。
- 桥式可逆斩波比较简单,不想写了,自己看《电机控制》的书。
DC-AC 变换:逆变
鉴于很多负载(电机)经常需要不同频率的电流,因此变频是电力电子变换当中一个比较重要的课题。一般的变频分为两种:交-交变频和交-直-交变频,前者在AC-AC中已经讲过,后者的后半部分就是DC-AC的重要应用之一。
此外直流电源向交流负载供电就需要逆变结构,比如带储能的电网,从储能到电网的电能流动就需要逆变。
逆变电路的分类
| 类别 | 电压源型 | 电流源型 |
|---|---|---|
| 图片 | ![]() |
![]() |
| 电压波形 | 矩形波(方波) | 正弦波 |
| 电流波形 | 正弦波 | 矩形波(方波) |
| 储能元件 | 大电容 | 大电感 |
| 导通方式 | 180° (互补) | 120° |
| 结构与保护 | 过电流保护困难,复杂 | 抗电流冲击力强,容易保护 |
| 适用 | 稳频稳压电源、不可逆电力拖动系统,多电机传动 | 可逆运行,电力拖动系统制动,频繁加减速正反转 |
| 四象限运行 | 电压极性固定,换向不方便 | 电流极性固定,换向容易,仅需改变触发角 |
| 电网换流 | 负载谐振式换流 | 强迫换流 |
|---|---|---|
| 电网电压自动过零变负,晶闸管关断,自然换流 | 利用回路谐振使电流过零,要求电流超前电压(容性) | 附加换流环节,利用储能元件释放脉冲电流关断晶闸管 |
并联负载谐振式
-
**基本工作原理:**原先 VT14 导通,电路如图(a)所示运行。在 时刻触发导通 VT23;对比 VT1 和 VT3,可以认为 ,因此 VT3 会导通钳位,将 VT1 截止,其电压 。对VT2和VT4同理。于是 VT14 电流迅速下降,VT23 电流迅速上升,四个晶闸管重叠导通,构成换流时间
-
换流相关分析:换流时间为 ,晶闸管关断时间为 。为保证晶闸管可靠关断,晶闸管必须在换流结束之后承受 时间的反压。负载电流为 VT14 和 VT23 电流的叠加,因此电流在换流开始后的 关闭,电压需要在 之后关断,因此功率因数角所对应的电流超前电压的时间为:
-
**电路与负载特性:**此图为电流源型逆变器,因此电流近似方波,电压近似正弦波。若认为 ,则有 ,要求电路呈现容性,必须有 。再考虑可靠换流,则有:
-
电路参数:
- 基波电流有效值:
- 输出电压有效值:
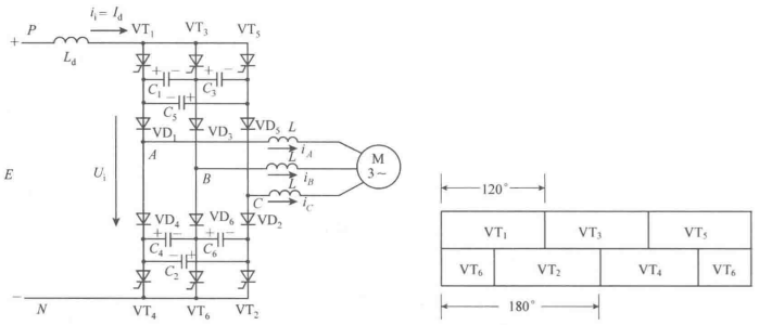
强迫换流
- **基本工作原理:**设 VT56 导通,电容 被充电至左-右+。触发导通 VT1 后,电容 的电压使 VT1 导通钳位,VT5 承受反压关断。输入端恒流给等效电容 充电,直到 VD1 导通(与 VD5 同时导通),此时谐振回路()形成,A相电流上升,C相电流下降。
- 电路特性:
- 每个晶闸管导通120°(三分之一周期),同一时间只有2个晶闸管导通
- 换向发生在上或下桥臂的元件组之间,即 VT1/3/5 之间和 VT2/4/6 之间
- 换向使引起大自感电势 ,因此电感 L 不要太大
- 最终每相都输出六阶梯波
电压源型逆变
单相桥式逆变
有两种工作方式:
- 14相同,23相同,两组之间互补, 不可调压
- 12互补,34互补,但是3滞后1 ,可调压。 越大电压越大
三相桥式逆变
| 电路图 | 输出波形 |
|---|---|
![]() |
![]() |
至于为什么是 ,因为原本负载各相对电源中点 的电压幅值是 ,
而负载中性点对电源中性点的电压 (P为各相),所以是一个 3 倍频,幅值为 的电压
两者合起来就是
- 电路参数
- 线电压基波幅值:,基波有效值:
- 相电压基波幅值:,基波有效值:
多重化及多电平化
- 电路的多重化和多电平化的目的都是改善逆变器的波形,使之更接近正弦波,但是两者的实现方式不同。
- 多重化通过变压器实现,来将多组逆变器输出错开一定的相位后再相连
- 多电平化通过几个电平台阶合成阶梯波以逼近正弦波
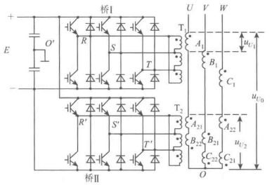
多重化
多重化分为串联和并联两种:串联多重化是将几个逆变器的输出串联起来,多用于电压源型;并联多重化是将及格逆变器的输出并联起来,多用于电流源型逆变器。
| 电路图 | 输出波形 |
|---|---|
![]() |
![]() |
- 易看出该电路由两个三相电压源型逆变器组成,每个逆变器输出的都是六阶梯波,各相之间相差60°,两组之间完全相同
- 但是两组的变压器不同,第一组是 连接,第二组是 连接,即第二组的输出要滞后输入30°,但是第二组是线电压第一组是相电压,线电压又要超前相电压30°,所以两组的相位就相同了。
注:我不能理解书上的话,我觉得图 5-21 怎么数怎么是一个十阶梯波。而且我也不是很理解变压器为什么会,或者说为什么要输出同相位,我觉得就是要相位相差30°这个电路才能正常工作(原本各阶梯之间差60°,现在两个相差30°的叠在一起,不就阶梯数翻倍了吗?)书上166页倒数第二段也说了依次错开 的相位。
所以我觉得书上画的那种不是通用的正常的形式,而是另一个可行的形式。不然按理说两个逆变器就应该都输出六阶梯波。
多电平化
| 电路图 | 输出波形 |
|---|---|
![]() |
![]() |
- 以A相为例,原本的电路是 VT1 和 VT4 互补,并且在一周期内均工作120°,中间有120°时间的空(60°×2)
- 引入新的晶闸管,VT1’与 VT4 互补,VT4’与 VT1 互补,也就是说这两个管子在一周期内要工作240°,中间有120°的重合(60°×2)
- 这样原本的六阶梯波就由 () 构成,两相之间相差120°,变成有 的阶梯波




























































